| État de disponibilité: | |
|---|---|
| Quantité: | |
So bride
SDFL

Cet EN 1092-1 So So Wridge (Slip-On) fabriqué à partir de l'acier inoxydable F304 est conçu pour la fiabilité dans les pipelines industriels à basse pression . Avec une taille nominale DN25 (1 ') et une évaluation de pression PN10 (1,0 MPa), il offre une solution rentable pour les systèmes nécessitant une installation facile et une résistance à la corrosion modérée. Sa conception à glissière simplifie l'alignement pendant l'assemblage, ce qui en fait un choix préféré pour les pipelines de petits forfaits dans les marchés européens et globaux adhérant aux standards EN.
Paramètre | Détails |
Standard | EN 1092-1 Type 11 (bride à enfiler) avec la conformité aux exigences de marquage CE |
Matériel | Acier inoxydable 1,4301 (F304) avec 18% de chrome et 8% de teneur en nickel pour la résistance à la corrosion |
Type de joint | Face surélevée (RF) avec une surface d'étanchéité surélevée de 1,6 mm, compatible avec les joints EN 1514-2 |
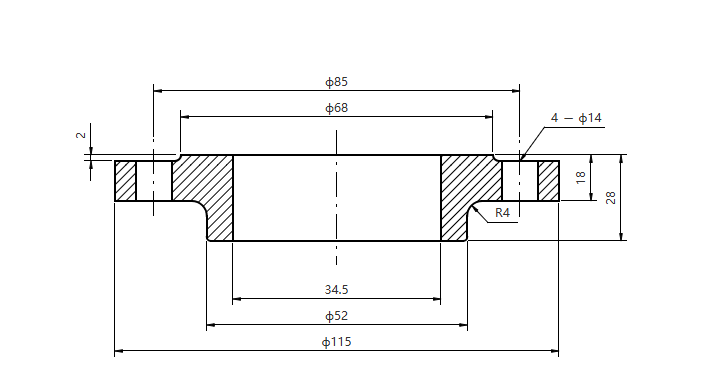
Dimensions | OD: 115 mm, cercle de boulons: 85 mm, épaisseur: 14 mm, trous de boulons 4x M10 (diamètre du cercle de tangage 85 mm) |
Conception à glissière : permet un alignement facile avec le diamètre extérieur du tuyau (28,2 mm pour DN25) et ne nécessite que du soudage à filet monoplace sur les bords intérieurs et extérieurs, réduisant le temps d'installation de 40% par rapport aux brides à col à col.
Conformité européenne : répond pleinement aux normes PN10 EN 1092-1 pour la précision dimensionnelle et les performances de pression, assurant une intégration transparente avec les tuyaux, les vannes et les raccords fabriqués par l'UE.
Résistance à la corrosion : F304 en acier inoxydable forme une couche d'oxyde protectrice qui résiste aux acides légers (pH 4–8), aux solutions alcalines et à la corrosion atmosphérique, ce qui le rend adapté aux installations intérieures et extérieures.
Effectif : idéal pour les applications non critiques telles que les lignes d'air comprimées (jusqu'à 0,8 MPa), la distribution potable de l'eau et les systèmes de dosage chimique à basse pression, l'équilibrage des performances avec l'abordabilité.
Systèmes HVAC : les brides PN10 connectent les tuyaux de circulation d'eau réfrigérée dans les bâtiments commerciaux, en maintenant une pression stable (≤ 1,0 MPa) dans les réseaux de climatisation et de chauffage.
Industrie générale : les connexions DN25 facilitent les systèmes de dosage chimique à petite échelle dans les usines de traitement des eaux usées, où un contrôle précis du débit et une résistance à la corrosion sont essentiels.
Q: Cette bride peut-elle être utilisée avec des tuyaux métriques?
R: Oui. La conception à enfiler est spécifiquement conçue pour accueillir les tuyaux ISO 336 DN25 (diamètre extérieur 28,2 mm), avec un dégagement de 1,5 mm pour un ajustement facile avant le soudage.
Q: Quel couple doit être appliqué aux boulons?
R: Utilisez des boulons en acier inoxydable M10 toqué à 35–40 n · m pour les applications PN10; Suivez une séquence de serrage croisé pour assurer une compression uniforme du joint.
Q: Le traitement de surface est-il disponible pour les environnements difficiles?
R: Le traitement de passivation facultatif (par ASTM A967) améliore la résistance à la corrosion en éliminant le fer libre de la surface, recommandé pour les installations extérieures ou à humidité élevée.

Cet EN 1092-1 So So Wridge (Slip-On) fabriqué à partir de l'acier inoxydable F304 est conçu pour la fiabilité dans les pipelines industriels à basse pression . Avec une taille nominale DN25 (1 ') et une évaluation de pression PN10 (1,0 MPa), il offre une solution rentable pour les systèmes nécessitant une installation facile et une résistance à la corrosion modérée. Sa conception à glissière simplifie l'alignement pendant l'assemblage, ce qui en fait un choix préféré pour les pipelines de petits forfaits dans les marchés européens et globaux adhérant aux standards EN.
Paramètre | Détails |
Standard | EN 1092-1 Type 11 (bride à enfiler) avec la conformité aux exigences de marquage CE |
Matériel | Acier inoxydable 1,4301 (F304) avec 18% de chrome et 8% de teneur en nickel pour la résistance à la corrosion |
Type de joint | Face surélevée (RF) avec une surface d'étanchéité surélevée de 1,6 mm, compatible avec les joints EN 1514-2 |
Dimensions | OD: 115 mm, cercle de boulons: 85 mm, épaisseur: 14 mm, trous de boulons 4x M10 (diamètre du cercle de tangage 85 mm) |
Conception à glissière : permet un alignement facile avec le diamètre extérieur du tuyau (28,2 mm pour DN25) et ne nécessite que du soudage à filet monoplace sur les bords intérieurs et extérieurs, réduisant le temps d'installation de 40% par rapport aux brides à col à col.
Conformité européenne : répond pleinement aux normes PN10 EN 1092-1 pour la précision dimensionnelle et les performances de pression, assurant une intégration transparente avec les tuyaux, les vannes et les raccords fabriqués par l'UE.
Résistance à la corrosion : F304 en acier inoxydable forme une couche d'oxyde protectrice qui résiste aux acides légers (pH 4–8), aux solutions alcalines et à la corrosion atmosphérique, ce qui le rend adapté aux installations intérieures et extérieures.
Effectif : idéal pour les applications non critiques telles que les lignes d'air comprimées (jusqu'à 0,8 MPa), la distribution potable de l'eau et les systèmes de dosage chimique à basse pression, l'équilibrage des performances avec l'abordabilité.
Systèmes HVAC : les brides PN10 connectent les tuyaux de circulation d'eau réfrigérée dans les bâtiments commerciaux, en maintenant une pression stable (≤ 1,0 MPa) dans les réseaux de climatisation et de chauffage.
Industrie générale : les connexions DN25 facilitent les systèmes de dosage chimique à petite échelle dans les usines de traitement des eaux usées, où un contrôle précis du débit et une résistance à la corrosion sont essentiels.
Q: Cette bride peut-elle être utilisée avec des tuyaux métriques?
R: Oui. La conception à enfiler est spécifiquement conçue pour accueillir les tuyaux ISO 336 DN25 (diamètre extérieur 28,2 mm), avec un dégagement de 1,5 mm pour un ajustement facile avant le soudage.
Q: Quel couple doit être appliqué aux boulons?
R: Utilisez des boulons en acier inoxydable M10 toqué à 35–40 n · m pour les applications PN10; Suivez une séquence de serrage croisé pour assurer une compression uniforme du joint.
Q: Le traitement de surface est-il disponible pour les environnements difficiles?
R: Le traitement de passivation facultatif (par ASTM A967) améliore la résistance à la corrosion en éliminant le fer libre de la surface, recommandé pour les installations extérieures ou à humidité élevée.