| État de disponibilité: | |
|---|---|
| Quantité: | |
Bride
SDFL

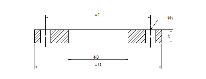
| Taille nominale | Diamètre extérieur | Diamètre intérieur | Diamètre du cercle central | Bride Hauteur globale | Diamètre du trou du boulon | Nombre de trous de boulons |
| DN | D | B | C | t | h | |
| 10A | 90 | 17.8 | 65 | 12 | 15 | 4 |
| 15A | 95 | 22.2 | 70 | 12 | 15 | 4 |
| 20A | 100 | 27.7 | 75 | 14 | 15 | 4 |
| 25A | 125 | 34.5 | 90 | 14 | 19 | 4 |
| 32a | 135 | 43.2 | 100 | 16 | 19 | 4 |
| 40a | 140 | 49.1 | 105 | 16 | 19 | 4 |
| 50A | 155 | 61.1 | 120 | 16 | 19 | 4 |
| 65a | 175 | 77.1 | 140 | 18 | 19 | 4 |
| 80A | 185 | 90 | 150 | 18 | 19 | 8 |
| 90a | 195 | 102.6 | 160 | 18 | 19 | 8 |
| 100A | 210 | 115.4 | 175 | 18 | 19 | 8 |
| 125a | 250 | 141.2 | 210 | 20 | 23 | 8 |
| 150a | 280 | 166.6 | 240 | 22 | 23 | 8 |
| 175a | 305 | 192.1 | 265 | 22 | 23 | 12 |
| 200A | 330 | 218 | 290 | 22 | 23 | 12 |
| 225a | 350 | 243.7 | 310 | 22 | 23 | 12 |
| 250a | 400 | 269.5 | 355 | 24 | 25 | 12 |
| 300A | 445 | 321 | 400 | 24 | 25 | 16 |
| 350A | 490 | 358.1 | 445 | 26 | 25 | 16 |
| 400A | 560 | 409 | 510 | 28 | 27 | 16 |
| 450a | 620 | 460 | 565 | 30 | 27 | 20 |
| 500A | 675 | 511 | 620 | 30 | 27 | 20 |
| 550A | 745 | 562 | 680 | 32 | 33 | 20 |
| 600A | 795 | 613 | 730 | 32 | 33 | 24 |
| 650a | 845 | 664 | 780 | 34 | 33 | 24 |
| 700A | 905 | 715 | 840 | 34 | 33 | 24 |
| 750a | 970 | 766 | 900 | 36 | 33 | 24 |
| 800A | 1020 | 817 | 950 | 36 | 33 | 28 |
| 850A | 1070 | 868 | 1000 | 36 | 33 | 28 |
| 900A | 1120 | 919 | 1050 | 38 | 33 | 28 |
| 1000A | 1235 | 1021 | 1160 | 40 | 39 | 28 |
| 1100a | 1345 | 1122 | 1270 | 42 | 39 | 28 |
| 1200A | 1465 | 1224 | 1380 | 44 | 39 | 32 |
| 1350a | 1630 | 1376 | 1540 | 48 | 45 | 36 |
| 1500A | 1795 | 1529 | 1700 | 50 | 45 | 40 |
Applications
Systèmes statiques à basse pression:
(1) réservoirs d'eau, conduits de ventilation, conduits de CVC (≤ classe 150).
(2) Lignes de liquide de refroidissement à basse pression dans les machines.
(3) tuyaux de vidange non critiques.
Projets axés sur les coûts:
(1) Infrastructure budgétaire (par exemple, irrigation agricole).
(2) Testage temporaire ou test de prototype.
Applications non pression:
(1) Blanking Off Out Tipe Ends (Fonction Blind Flange Fonction).
(2) Couvoirs d'équipement (par exemple, filtres, réservoirs).
Environnements à risque à faible fluide:
Air, eau, gaz inertes dans des conditions ambiantes.

| Taille nominale | Diamètre extérieur | Diamètre intérieur | Diamètre du cercle central | Bride Hauteur globale | Diamètre du trou du boulon | Nombre de trous de boulons |
| DN | D | B | C | t | h | |
| 10A | 90 | 17.8 | 65 | 12 | 15 | 4 |
| 15A | 95 | 22.2 | 70 | 12 | 15 | 4 |
| 20A | 100 | 27.7 | 75 | 14 | 15 | 4 |
| 25A | 125 | 34.5 | 90 | 14 | 19 | 4 |
| 32a | 135 | 43.2 | 100 | 16 | 19 | 4 |
| 40a | 140 | 49.1 | 105 | 16 | 19 | 4 |
| 50A | 155 | 61.1 | 120 | 16 | 19 | 4 |
| 65a | 175 | 77.1 | 140 | 18 | 19 | 4 |
| 80A | 185 | 90 | 150 | 18 | 19 | 8 |
| 90a | 195 | 102.6 | 160 | 18 | 19 | 8 |
| 100A | 210 | 115.4 | 175 | 18 | 19 | 8 |
| 125a | 250 | 141.2 | 210 | 20 | 23 | 8 |
| 150a | 280 | 166.6 | 240 | 22 | 23 | 8 |
| 175a | 305 | 192.1 | 265 | 22 | 23 | 12 |
| 200A | 330 | 218 | 290 | 22 | 23 | 12 |
| 225a | 350 | 243.7 | 310 | 22 | 23 | 12 |
| 250a | 400 | 269.5 | 355 | 24 | 25 | 12 |
| 300A | 445 | 321 | 400 | 24 | 25 | 16 |
| 350A | 490 | 358.1 | 445 | 26 | 25 | 16 |
| 400A | 560 | 409 | 510 | 28 | 27 | 16 |
| 450a | 620 | 460 | 565 | 30 | 27 | 20 |
| 500A | 675 | 511 | 620 | 30 | 27 | 20 |
| 550A | 745 | 562 | 680 | 32 | 33 | 20 |
| 600A | 795 | 613 | 730 | 32 | 33 | 24 |
| 650a | 845 | 664 | 780 | 34 | 33 | 24 |
| 700A | 905 | 715 | 840 | 34 | 33 | 24 |
| 750a | 970 | 766 | 900 | 36 | 33 | 24 |
| 800A | 1020 | 817 | 950 | 36 | 33 | 28 |
| 850A | 1070 | 868 | 1000 | 36 | 33 | 28 |
| 900A | 1120 | 919 | 1050 | 38 | 33 | 28 |
| 1000A | 1235 | 1021 | 1160 | 40 | 39 | 28 |
| 1100a | 1345 | 1122 | 1270 | 42 | 39 | 28 |
| 1200A | 1465 | 1224 | 1380 | 44 | 39 | 32 |
| 1350a | 1630 | 1376 | 1540 | 48 | 45 | 36 |
| 1500A | 1795 | 1529 | 1700 | 50 | 45 | 40 |
Applications
Systèmes statiques à basse pression:
(1) réservoirs d'eau, conduits de ventilation, conduits de CVC (≤ classe 150).
(2) Lignes de liquide de refroidissement à basse pression dans les machines.
(3) tuyaux de vidange non critiques.
Projets axés sur les coûts:
(1) Infrastructure budgétaire (par exemple, irrigation agricole).
(2) Testage temporaire ou test de prototype.
Applications non pression:
(1) Blanking Off Out Tipe Ends (Fonction Blind Flange Fonction).
(2) Couvoirs d'équipement (par exemple, filtres, réservoirs).
Environnements à risque à faible fluide:
Air, eau, gaz inertes dans des conditions ambiantes.